ciao! quel bunker l'ho appena inserito nell'aggiornamento del sito Bunkerhunters! Grazie a chi ha collaborato!!
Visualizzazione Stampabile
ciao! quel bunker l'ho appena inserito nell'aggiornamento del sito Bunkerhunters! Grazie a chi ha collaborato!!
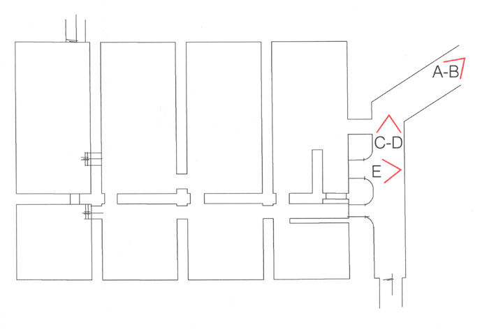
Questo bunker era composto di 8 locali di cui 4 di dimensione doppia.
Le foto che posto sono state gentilmente concesse dall'AGEC del Comune di Verona che ringrazio per la gentilezza e cortesia dimostrata.
Le prime sono disegni del suo sviluppo, l'ultima cartina vi è indicata quale era la sua posizione all'interno di altri fabbricati civili.
Immagine:
http://www.milistory.net/Public/data...metria%201.jpg
40,99*KB
Immagine:
http://www.milistory.net/Public/data...metria%202.jpg
47,23*KB
Immagine:
http://www.milistory.net/Public/data...metria%203.jpg
107,64*KB
COME SI VEDEVA ESTERNAMENTE A LIVELLO STRADALE
Immagine:
http://www.milistory.net/Public/data...con%20case.jpg
198,19*KB
ENTRATA LIBERATA DALLA TERRA PER ACCEDERE AI LOCALI
Immagine:
http://www.milistory.net/Public/data...a%20colori.jpg
200,46*KB
Immagine:
http://www.milistory.net/Public/data...colori%202.jpg
181,52*KB
QUESTI SONO GLI INTERNI IL NERO CHE VEDETE IN BASSO SONO I RESTI DEGLI SCARICHI FOGNARI ORMAI CRISTALLIZZATI.
Immagine:
http://www.milistory.net/Public/data...io%201%20X.jpg
78,86*KB
Immagine:
http://www.milistory.net/Public/data...io%202%20X.jpg
131,34*KB
Immagine:
http://www.milistory.net/Public/data...0porte%20X.jpg
129,47*KB
Immagine:
http://www.milistory.net/Public/data...20merd%20X.jpg
140,99*KB
Immagine:
http://www.milistory.net/Public/data...0merd%202X.jpg
138,72*KB
Immagine:
http://www.milistory.net/Public/data...rd%203%20X.jpg
128,88*KB
Immagine:
http://www.milistory.net/Public/data...0porta%20X.jpg
102,68*KB
INIZIA LA DEMOLIZIONE LO SPESSORE DEL TETTO
Immagine:
http://www.milistory.net/Public/data...20spessore.jpg
203,94*KB
Immagine:
http://www.milistory.net/Public/data...na%205%20X.jpg
152,06*KB
Immagine:
http://www.milistory.net/Public/data...na%206%20X.jpg
170,52*KB
Immagine:
http://www.milistory.net/Public/data...re%201%20X.jpg
185,21*KB
Qualche altra immagine la posterò più tardi
Hai visto caro cocis? Ottima missione la Tua!!! [:D][:D][:D]
le solite vergogne all'italiana!
demolire per fare condomini! che schifo!!!
complimenti per il preziosissimo lavoro di ricerca svolto, Cocis.
Ora c'è qualcosa di più come memoria di quel bunker, del resto questo aumenta il rammarico per quello che è andato inesorabilmente distrutto.
Ciao italien si ma altrettanto ottima la pulce che hai messo nel mio orecchio.A volte le cose più ovvie sono quelle che sfuggono.Grazie
Ciao festungsartillerie grazie e come dici ora il rammarico è più grande.
Lo avevo quasi rilegato in un angolo della memoria ma in questi giorni e con queste foto è risaltato fuori con forza.
Ciao davide987 sono anch'io dispiaciuto.
Posto qualche altra foto della demolizione sempre concessa gentilmente dall'AGEC del Comune di Verona.
NON SI E' LESINATO IL FERRO ALCUNE PERSONE ANZIANE MI DICEVANO CHE VI ERA UN GRANDE VIA VAI DI CAMION CHE NE SCARICAVANO TANTISSIMO.
Immagine:
http://www.milistory.net/Public/data...to%20ferro.jpg
183,21 KB
QUESTE SONO LE TRAVI DEL SOTTOTETTO UNA OGNI 50 CM. CIRCA
Immagine:
http://www.milistory.net/Public/data...on%20travi.jpg
174,59 KB
QUESTE DUE IMMAGINI PER DARE LA DIMENZIONE DEL MURO PERIMETRALE E LA SUA GRANDEZZA
Immagine:
http://www.milistory.net/Public/data...camion%201.jpg
156,92 KB
Immagine:
http://www.milistory.net/Public/data...camion%202.jpg
196,02 KB
...a proposito di questo EX bunker... nel sito qui sotto abbiamo aggiornato la pagina con altre foto!!! ;)